Официальный дилер Tech-Krep по Самарской области в г.Тольятти, ул. Обводная 3Г.
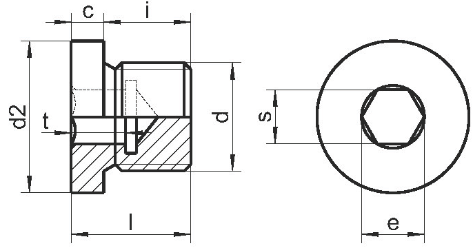
DIN 908 — пробка (заглушка) с фланцем, с метрической или дюймовой резьбой и внутренним шестигранником. Заглушки DIN 908 используются в машиностроении, приборостроении и прочих промышленных и производственных отраслях.
Пробки фланцевые DIN 908 производятся из углеродистой стали, нержавеющей стали А2 и А4, латуни.
Ниже приведены основные размеры и характеристики заглушки DIN 908.
| d | d2 | s | e | l ≈ | t | Материал | 
| M10X1 | 14 | 5 | 5.7 | 11 | 5 | A2 A4 | 
| M12X1,5 | 17 | 6 | 6.9 | 15 | 7 | A2 A4 | 
| M14X1,5 | 19 | 6 | 6.9 | 15 | 7 | A2 A4 | 
| M16X1,5 | 21 | 8 | 9.2 | 15 | 7.5 | A2 A4 | 
| M18X1,5 | 23 | 8 | 9.2 | 16 | 7.5 | A2 A4 | 
| M20X1,5 | 25 | 10 | 11.4 | 18 | 7.5 | A2 A4 | 
| M22X1,5 | 27 | 10 | 11.4 | 18 | 7.5 | A2 A4 | 
| M24X1,5 | 29 | 12 | 13.7 | 18 | 7.5 | A2 A4 | 
| M26X1,5 | 31 | 12 | 13.7 | 20 | 9 | A2 A4 | 
| M27X2 | 32 | 12 | 13.7 | 20 | 9 | A2 A4 | 
| M30X2 | 36 | 17 | 19.4 | 20 | 9 | A2 A4 | 

На нашем складе доступны более 30 000 наименований крепежа и метизов: анкера (рамные, клиновые, забивные, анкерные болты), саморезы (универсальные, по дереву, по бетону, по металлу, по ГКЛ), дюбели (фасадные, для теплоизоляции, дюбель-гвозди, универсальные и др.), метрический крепеж (болты, гайки, шайбы), а также специальный крепеж (биты, шпильки, заклепки, крепеж для кровли, сэндвич-панелей, для производства окон) и такелаж (тросы, цепи, талрепы, коуши и др.). Весь товар сертифицирован.