Официальный дилер Tech-Krep по Самарской области в г.Тольятти, ул. Обводная 3Г.
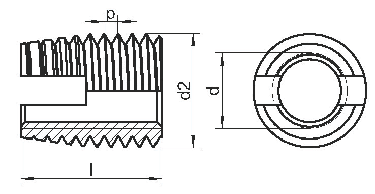
Резьбовая вставка ART 9058 (или как ещё их называют: резьбовая втулка) представляет собой короткий полый конус с полной внутренней и внешней метрической резьбой. Резьбовая втулка обладает значительной поверхностью реза и при установке в отверстие эффективно формирует новую металлическую резьбу. В то же время резьбовая вставка ART 9058 за счет внутренних витков используется в качестве интегрированного в материал усиленного резьбового посадочного места.
В качестве материала изготовления резьбовых втулок используется практически немагнитная аустенитная хромоникелевая сталь марки А1, которая кроме экологичности и износостойкости, отличается высокой устойчивостью к коррозии, высоким и низким температурам.
Самонарезающие метизы ART 9058 из-за особенности формы имеют разные номинальные внутренний (d) и внешний (d2) диаметры. Ассортимент резьбовых вставок представлен изделиями длиной от 6 мм до 27 мм, с вариаций сечений от М3х0,5/М5 до М20х1,5/М26.
Монтаж самонарезающих втулок может потребовать предварительного рассверливания отверстия в ситуациях с высокопрочным основанием детали. Установка выполняют при помощи ручного монтажного инструмента, состоящего из нарезной шпильки, пары шестигранных гаек и рожкового ключа. В профессиональной сфере для этих целей зачастую применяют специальную оснастку для станков.
Резьбовые вставки ART 9058 самонарезающие активно применяют в автомобильной промышленности при производстве: электронных устройствах, бытовых приборах, производстве промышленного оборудования и т.д.
| d | d2 | l | Материал | 
| M3 | M5 | 6 | A1 | 
| M4 | M6 | 8 | A1 | 
| M5 | M8 | 10 | A1 | 
| M6 | M10 | 14 | A1 | 
| M8 | M12 | 15 | A1 | 
| M10 | M14 | 18 | A1 | 
| M12 | M16 | 22 | A1 | 
| M14 | M18 | 24 | A1 | 
| M16 | M20 | 22 | A1 | 
| M18 | M22 | 24 | A1 | 
| M20 | M26 | 27 | A1 | 

На нашем складе доступны более 30 000 наименований крепежа и метизов: анкера (рамные, клиновые, забивные, анкерные болты), саморезы (универсальные, по дереву, по бетону, по металлу, по ГКЛ), дюбели (фасадные, для теплоизоляции, дюбель-гвозди, универсальные и др.), метрический крепеж (болты, гайки, шайбы), а также специальный крепеж (биты, шпильки, заклепки, крепеж для кровли, сэндвич-панелей, для производства окон) и такелаж (тросы, цепи, талрепы, коуши и др.). Весь товар сертифицирован.