Официальный дилер Tech-Krep по Самарской области в г.Тольятти, ул. Обводная 3Г.
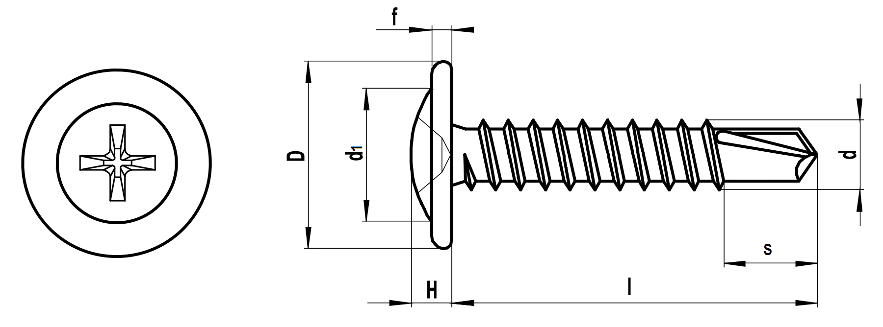
Саморезы ART 9998 представляют собой так называемые шурупы-клопы. Отличительные черты таких винтов: короткий резьбовой стержень и головка с пресс-шайбой и крестообразным шлицом PH (Philips). В дополнение к этому конструкция саморезов ART 9998 предусматривает наконечник в виде сверла (самосверлящий) для производства посадочного отверстия при его вкручивании. что способствует простому и быстрому монтажу. Рабочая часть винта представляет собой мелкую однозаходную резьбу. Головка шурупа имеет достаточно большую пресс-шайбу: до 13 мм, для столь малого метиза. Тем самым после монтажа саморезы ART 9998 не продавливает прикрепляемое изделие, а нагрузка равномерно распределяется по всей площади контакта с шайбой.
Установка таких шурупов-клопов без предварительного отверстия в листовой материал толщиной до 0,9 мм предусматривает использование шуруповёрта с соответствующей битой. В уже сделанные отверстия эти саморезы беспрепятственно вкручиваются даже ручным инструментом при толщине материала до 6 мм.
Размерный ряд нержавеющих саморезов ART 9998 включает изделия длиной от 16 до 60 мм при возможном диаметре 3.9, 4.2 и 4.8 мм. В зависимости от выбранного размера они упакованы в удобные коробки по 200, 500 или 1000 шт.
Для производства саморезов ART 9998 используют ферросплав с высокой коррозионной стойкостью – высоколегированную аустенитную сталь марки А2. Отсутствие явных процессов коррозии даже в различных кислых средах обеспечивает экологичность данным метизам. В дополнение к этому они практически немагнитны.
Саморез Art 9998 широко применяют в строительных целях при ремонтных и монтажных работах. Они отлично подходят для сшивания листов из мягких металлов или крепления в алюминиевые профили малой толщины. Также они востребованы для крепления деталей из разных материалов (пластик, дерево, ДСП), в т.ч. при производстве кухонной утвари.
| D | 10 | 11 | 13 | 
| d1 | 7 | 7,8 | 8,7 | 
| H | 1,9-2,2 | 2,1-2,4 | 2,3-2,6 | 
| f | 1,1 | 1,2 | 1,3 | 
| s | 3,7-4,1 | 4,7-5,2 | 5,7-6,2 | 
| l, мм/d, мм | 3,9 | 4,2 | 4,8 | 
| 16 | А2 | ||
| 19 | А2 | А2 | А2 | 
| 25 | А2 | А2 | А2 | 
| 32 | А2 | А2 | |
| 38 | А2 | А2 | |
| 45 | А2 | ||
| 50 | А2 | ||
| 60 | А2 | 

На нашем складе доступны более 30 000 наименований крепежа и метизов: анкера (рамные, клиновые, забивные, анкерные болты), саморезы (универсальные, по дереву, по бетону, по металлу, по ГКЛ), дюбели (фасадные, для теплоизоляции, дюбель-гвозди, универсальные и др.), метрический крепеж (болты, гайки, шайбы), а также специальный крепеж (биты, шпильки, заклепки, крепеж для кровли, сэндвич-панелей, для производства окон) и такелаж (тросы, цепи, талрепы, коуши и др.). Весь товар сертифицирован.