Официальный дилер Tech-Krep по Самарской области в г.Тольятти, ул. Обводная 3Г.
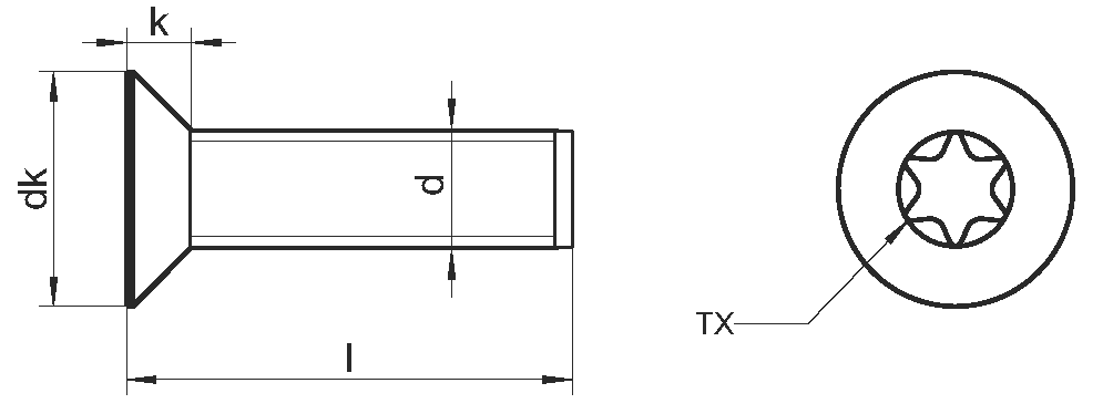
Крепежный винт ME DIN 7500M TX с потайной головкой со шлицем «звездочка» (TX, TORX) представляет собой защитную модификацию винта ME DIN 7500M PZ под крестовую отвертку. Конструкция метиза представляет собой стержень с полной метрической резьбой с закалёнными острыми гранями. Такое конструктивное решение обеспечивает эффективное самостоятельное создание резьбы в металлических отверстиях и формирование прочного и надежного скрепления деталей. Из-за этих уникальных качеств, крепежные винты еще называют самонарезающие или резьбовыдавливающими. Потайная головка с антивандальным шлицом беспроблемно устанавливается «заподлицо» в рассверленное отверстие (потай).
Монтаж винтов со шлицем TX возможен только с применением специального инструмента с наконечниками в виде шестиконечной звезды.
Потребителю предлагаются винты длиной от 50 до 30 мм с номинальными размерами резьбы М2.5, М3, М4, М5. Расфасовка изделий производится по 500 или 1000 штук в упаковку в зависимости от типоразмера.
Резьбовыдавливающие винты изготавливаются из нержавеющие аустенитные хромоникелевые стали марок А2 и А4. Благодаря этому крепежные такие элементы не боятся коррозии, практически немагнитны, обладают повышенной прочностью и экологичностью. Винты из стали марки А4 отличаются повышенной устойчивость к коррозийным процессам и кислотам из-за наличия в конструктивном материале молибдена.
Крепежные винты с потайной головкой тип ME DIN 7500M TX применяются в процессе обшивки конструкций и машин, строительстве, автомобилестроении, машиностроении и в различных производственных отраслях.
| dk | 4,4 | 5,2 | 8,04 | 8,94 | 
| k | 1,5 | 1,65 | 2,7 | 2,7 | 
| #Tx | TX 8 | TX 10 | TX 20 | TX 25 | 
| Длина / d | M 2,5 | M 3 | M 4 | M 5 | 
| 5 | A2 A4 | |||
| 6 | A2 A4 | A2 A4 | ||
| 8 | A2 A4 | A2 A4 | A2 A4 | |
| 10 | A2 A4 | A2 A4 | A2 A4 | A2 A4 | 
| 12 | A2 A4 | A2 A4 | A2 A4 | A2 A4 | 
| 16 | A2 A4 | A2 A4 | ||
| 20 | A2 A4 | A2 A4 | ||
| 25 | A2 A4 | |||
| 30 | A2 A4 | 

На нашем складе доступны более 30 000 наименований крепежа и метизов: анкера (рамные, клиновые, забивные, анкерные болты), саморезы (универсальные, по дереву, по бетону, по металлу, по ГКЛ), дюбели (фасадные, для теплоизоляции, дюбель-гвозди, универсальные и др.), метрический крепеж (болты, гайки, шайбы), а также специальный крепеж (биты, шпильки, заклепки, крепеж для кровли, сэндвич-панелей, для производства окон) и такелаж (тросы, цепи, талрепы, коуши и др.). Весь товар сертифицирован.