Официальный дилер Tech-Krep по Самарской области в г.Тольятти, ул. Обводная 3Г.
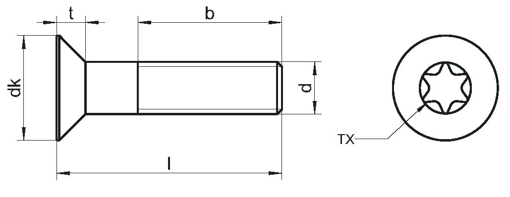
Конструкция крепежных винтов DIN 7991 TX предусматривает антивандальный шлиц TORX («звездочка») в потайной головке. Это обеспечивает достаточную защиту креплениям от несанкционированного демонтажа. А потайная головка позволяет создавать малозаметное крепление вровень с поверхностью прикрепляемой детали. Это достигается зенкованием – предварительным рассверливанием верха резьбового отверстия под потай. Метизы DIN 7991 TX могут ввинчиваться в резьбовое отверстие или скреплять элементы путём скручивания с нержавеющими шайбами и гайками. Для установки винтов с неполной резьбой DIN 7991 ТX зачастую используют специальные профессиональные насадки в виде звезды с шести лучами. В бытовых условиях допускается применять монтажные ключи TORX.
Наша товарная линейка включает нержавеющие винты DIN 7991 TX с потайной длинной от 10 мм до 30 мм с номинальными размерами резьбы М4, М5, М6. Для удобства учета, складирование и применения метизы фасуются в упаковки по 200 и 500 штук.
Для их производства используют нержавеющие аустенитные хромоникелевые стали марок А2 и А4. За счет этого винты DIN 7991 TX обладают превосходной устойчивостью к коррозионным процессам и механическому износу. Они выдерживают большие нагрузки, высоко экологичны и практически немагнитны. Стали марки А4 благодаря тому, что кроме прочих элементов легированы молибденом, обеспечивают крепежным элементам из них стойкость к воздействию различных кислотных и щелочных сред.
Сферой применения нержавеющих винтов DIN 7991 ТX шлиц TORX является приборостроение, производство оборудования и техники, легкая промышленность и т.д.
Таблица характеристик DIN 7991 TX:
| dk | 8 | 10 | 12 | 
| k | 1,14 | 1,12 | 1,39 | 
| a | 14 | 16 | 18 | 
| #Tx | TX 20 | TX 25 | TX 30 | 
| Длина / d | M4 | M5 | M6 | 
| 10 | A2 A4 | A2 A4 | |
| 12 | A2 A4 | A2 A4 | A2 A4 | 
| 14 | A2 A4 | A2 A4 | A2 A4 | 
| 16 | A2 A4 | A2 A4 | A2 A4 | 
| 20 | A2 A4 | A2 A4 | A2 A4 | 
| 25 | A2 A4 | A2 A4 | A2 A4 | 
| 30 | A2 A4 | A2 A4 | A2 A4 | 

На нашем складе доступны более 30 000 наименований крепежа и метизов: анкера (рамные, клиновые, забивные, анкерные болты), саморезы (универсальные, по дереву, по бетону, по металлу, по ГКЛ), дюбели (фасадные, для теплоизоляции, дюбель-гвозди, универсальные и др.), метрический крепеж (болты, гайки, шайбы), а также специальный крепеж (биты, шпильки, заклепки, крепеж для кровли, сэндвич-панелей, для производства окон) и такелаж (тросы, цепи, талрепы, коуши и др.). Весь товар сертифицирован.