Официальный дилер Tech-Krep по Самарской области в г.Тольятти, ул. Обводная 3Г.
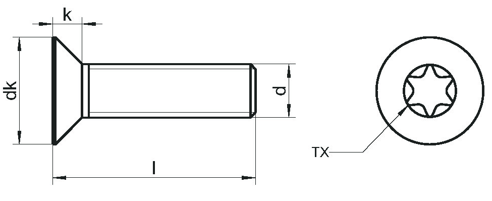
Винт с потайной головкой DIN 965 TX изготавливают в виде стержня с метрической резьбой и конической головкой с антивандальным шлицем TORX («звездочка»). При установке метиза заподлицо в материал с достаточно твердой структурой, например, в сталь или другие металлы, выполняют рассверливание отверстия под потай – зенкование. Более мягкие материалы потайная головка винта DIN 965 продавливает самостоятельно и становиться вровень с поверхностью. Крепеж допускает монтировать в резьбовые отверстия или формировать резьбовые соединения посредством накручивания нержавеющих гаек. Завинчивание винтов с потайной головкой DIN 965 TX выполняют при помощи ручного и электрического инструмента с насадками TORX (шестилучевая звезда или «звёздочка»).
Винты с потайной головкой и шлицем «звездочка» имеют вариацию номинальных размеров. При возможной резьбе М4, М5, М6 допускается ряд длин: 10, 12, 14, 16, 20, 25 и 30 мм. В одной упаковке метизов может содержаться 200 или 500 крепежных изделий в зависимости от типоразмера.
Нержавеющие аустенитные хромоникелевые стали марок А2 и А4, из которых сделаны винты DIN 965 TX, позволяют метизам устойчиво переносить: процессы коррозии, значительные механические нагрузки, экстремальные перепады температур от высоких до самых низких. Практически немагнитная сталь марки А4 за счет содержания молибдена до 3% придает винтам стойкость к агрессивным воздействиям кислотных и щелочных сред.
Областью использования крепежных элементов DIN 965 TX шлиц TORX является производство мебели, слесарная и строительная сфера, изготовление оборудования, машиностроение и т.д.
Аналоги: ГОСТ 17475-80, ISO 7046-1, ISO 7046-2
| dk | 3,8 | 4,7 | 5,6 | 7,5 | 9,2 | 11 | 
| k | 1,2 | 1,5 | 1,65 | 2,2 | 2,5 | 3 | 
| #Tx | TX 6 | TX 8 | TX 10 | TX 20 | TX 25 | TX 30 | 
| Длина / d | M2 | M2,5 | M3 | M4 | M5 | M6 | 
| 4 | A2 A4 | A2 A4 | ||||
| 5 | A2 A4 | A2 A4 | A2 A4 | A2 A4 | ||
| 6 | A2 A4 | A2 A4 | A2 A4 | A2 A4 | ||
| 8 | A2 A4 | A2 A4 | A2 A4 | A2 A4 | A2 A4 | |
| 10 | A2 A4 | A2 A4 | A2 A4 | A2 A4 | A2 A4 | A2 A4 | 
| 12 | A2 A4 | A2 A4 | A2 A4 | A2 A4 | A2 A4 | A2 A4 | 
| 16 | A2 A4 | A2 A4 | A2 A4 | A2 A4 | A2 A4 | A2 A4 | 
| 20 | A2 A4 | A2 A4 | A2 A4 | A2 A4 | A2 A4 | A2 A4 | 
| 25 | A2 A4 | A2 A4 | A2 A4 | A2 A4 | A2 A4 | |
| 30 | A2 A4 | A2 A4 | A2 A4 | A2 A4 | ||
| 35 | A2 A4 | A2 A4 | A2 A4 | |||
| 40 | A2 A4 | A2 A4 | A2 A4 | |||
| 50 | A2 A4 | 

На нашем складе доступны более 30 000 наименований крепежа и метизов: анкера (рамные, клиновые, забивные, анкерные болты), саморезы (универсальные, по дереву, по бетону, по металлу, по ГКЛ), дюбели (фасадные, для теплоизоляции, дюбель-гвозди, универсальные и др.), метрический крепеж (болты, гайки, шайбы), а также специальный крепеж (биты, шпильки, заклепки, крепеж для кровли, сэндвич-панелей, для производства окон) и такелаж (тросы, цепи, талрепы, коуши и др.). Весь товар сертифицирован.