Официальный дилер Tech-Krep по Самарской области в г.Тольятти, ул. Обводная 3Г.
Применение: Предназначены для создания неразъемного соединения тонколистовых материалов, а также для образования соеденяемых листовых материалах элемента крепления с внутренней (заклепка-гайка) или наружной (заклепка-болт) метрической резьбой.
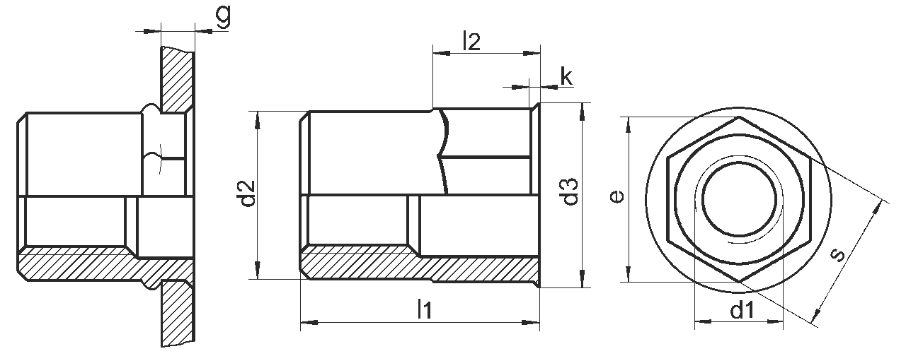
Особенности: При установке заклепок доступ необходим только с одной стороны материала. Они бывают открытого или закрытого типа, с цилиндрической или потайной головкой, c рифлением и без. Монтаж осуществляется с помощью специального инструмента.
| d1 | l1 | d2 | d3 | k | l2 | e | g | Vсрез [N] | Nрастяж. [N] | s | Материал | 
| 3 | 9 | 49 | 8 | 0.75 | 4.5 | 5.45 | 0,3-1,8 | 1848 | 6860 | 5 | A2 | 
| 4 | 115 | 6 | 93 | 1 | 6 | 6.8 | 0,5-2,5 | 2640 | 9800 | 6 | A2 | 
| 5 | 135 | 7 | 103 | 1 | 7.5 | 7.9 | 0,5-3 | 3620 | 12740 | 7 | A2 | 
| 6 | 155 | 9 | 123 | 1.5 | 8 | 10.2 | 0,5-3 | 4700 | 21570 | 9 | A2 | 
| 8 | 175 | 11 | 143 | 1.5 | 8.5 | 12.4 | 0,5-3 | 6860 | 37260 | 11 | A2 | 
| 10 | 22 | 129 | 163 | 2 | 9.7 | 14.7 | 1-4 | 8620 | 47070 | 13 | A2 | 
| 12 | 26 | 159 | 23 | 2 | 10.5 | 17.6 | 1-4 | 9051 | 49423 | 16 | A2 | 

На нашем складе доступны более 30 000 наименований крепежа и метизов: анкера (рамные, клиновые, забивные, анкерные болты), саморезы (универсальные, по дереву, по бетону, по металлу, по ГКЛ), дюбели (фасадные, для теплоизоляции, дюбель-гвозди, универсальные и др.), метрический крепеж (болты, гайки, шайбы), а также специальный крепеж (биты, шпильки, заклепки, крепеж для кровли, сэндвич-панелей, для производства окон) и такелаж (тросы, цепи, талрепы, коуши и др.). Весь товар сертифицирован.