Официальный дилер Tech-Krep по Самарской области в г.Тольятти, ул. Обводная 3Г.
Применение: Предназначены для создания неразъемного соединения тонколистовых материалов, а также для образования соеденяемых листовых материалах элемента крепления с внутренней (заклепка-гайка) или наружной (заклепка-болт) метрической резьбой.
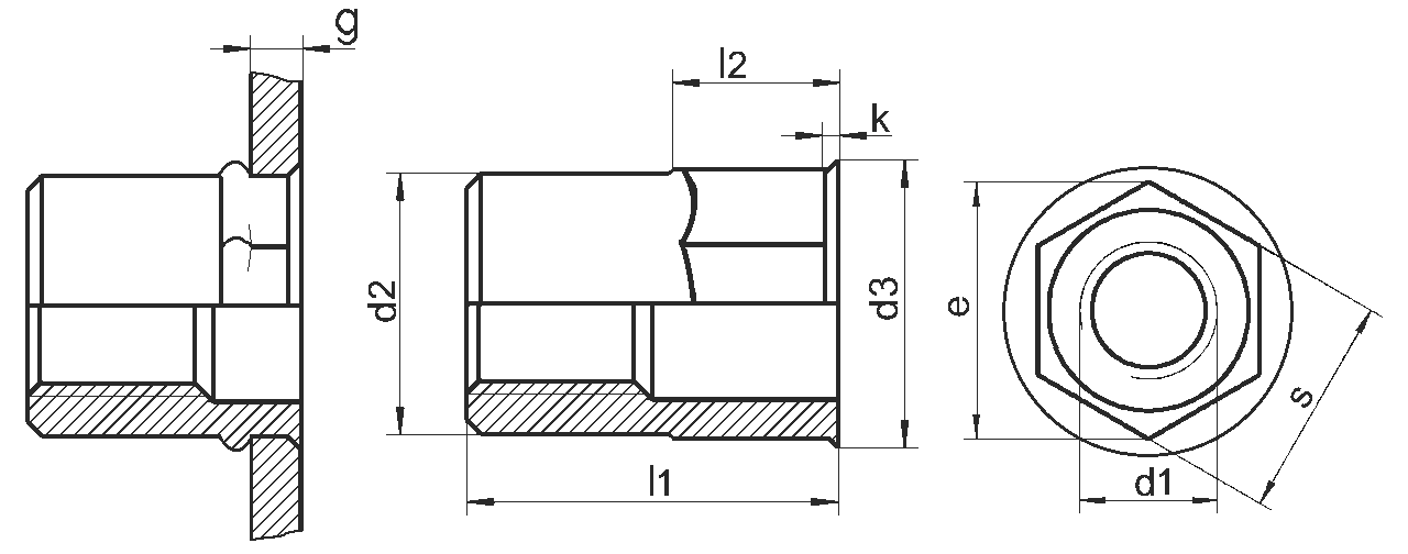
Особенности: При установке заклепок доступ необходим только с одной стороны материала. Они бывают открытого или закрытого типа, с цилиндрической или потайной головкой, c рифлением и без. Монтаж осуществляется с помощью специального инструмента.
| d1 | l1 | d2 | d3 | l2 | k | e | g | Vсрез [N] | Nрастяж. [N] | s | Материал | 
| 3 | 9 | 5 | 5.6 | 4.5 | 0.35 | 5.45 | 0,3-1,5 | 2058 | 5761 | 5 | A2 | 
| 4 | 12 | 6 | 7 | 6 | 0.6 | 6.8 | 0,5-2,5 | 2940 | 8230 | 6 | A2 | 
| 5 | 14 | 7 | 8 | 7.5 | 0.6 | 7.9 | 0,5-3 | 3820 | 11760 | 7 | A2 | 
| 6 | 16 | 9 | 10 | 8 | 0.6 | 10.2 | 0,5-3 | 3430 | 21570 | 9 | A2 | 
| 8 | 17 | 11 | 12 | 8.5 | 0.6 | 12.4 | 0,5-3 | 4900 | 24510 | 11 | A2 | 
| 10 | 20.5 | 12.9 | 14 | 9 | 0.6 | 14.7 | 1-4 | 5000 | 47070 | 13 | A2 | 
| 12 | 24 | 15.9 | 17.5 | 9.3 | 0.6 | 17.6 | 1-4 | 5250 | 49423 | 16 | A2 | 

На нашем складе доступны более 30 000 наименований крепежа и метизов: анкера (рамные, клиновые, забивные, анкерные болты), саморезы (универсальные, по дереву, по бетону, по металлу, по ГКЛ), дюбели (фасадные, для теплоизоляции, дюбель-гвозди, универсальные и др.), метрический крепеж (болты, гайки, шайбы), а также специальный крепеж (биты, шпильки, заклепки, крепеж для кровли, сэндвич-панелей, для производства окон) и такелаж (тросы, цепи, талрепы, коуши и др.). Весь товар сертифицирован.