Официальный дилер Tech-Krep по Самарской области в г.Тольятти, ул. Обводная 3Г.
Применение: Предназначены для создания неразъемного соединения тонколистовых материалов, а также для образования соеденяемых листовых материалах элемента крепления с внутренней (заклепка-гайка) или наружной (заклепка-болт) метрической резьбой.
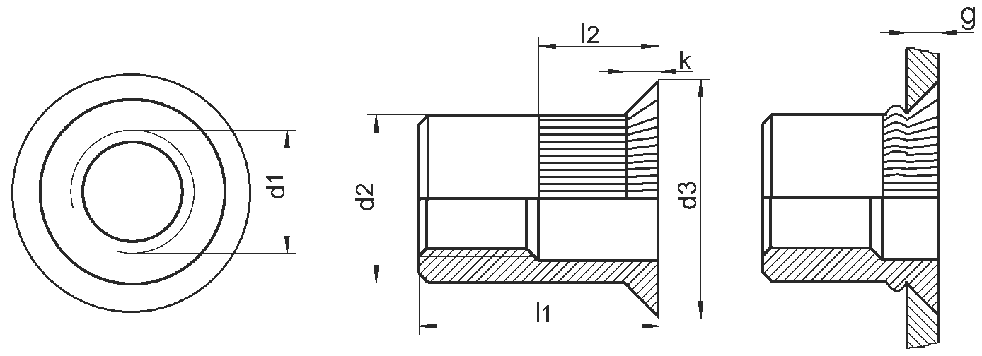
Особенности: При установке заклепок доступ необходим только с одной стороны материала. Они бывают открытого или закрытого типа, с цилиндрической или потайной головкой, c рифлением и без. Монтаж осуществляется с помощью специального инструмента.
| d1 | l1 | d2 | d3 | l2 | k | g | Vсрез [N] | Nрастяж. [N] | Материал | 
| 3 | 9 | 4.8 | 8 | 4.5 | 1.7 | 1,5-2,0 | 3162 | 8585 | A2 | 
| 4 | 11.5 | 5.9 | 9 | 5.5 | 1.7 | 1,5-3,5 | 3720 | 10100 | A2 | 
| 5 | 13.5 | 6.9 | 10 | 5.8 | 1.7 | 1,5-4,0 | 4020 | 11760 | A2 | 
| 6 | 16 | 8.9 | 12 | 7 | 1.7 | 1,5-4,5 | 5490 | 20590 | A2 | 
| 8 | 19 | 10.9 | 14 | 8.5 | 1.7 | 1,5-4,5 | 7640 | 27450 | A2 | 
| 10 | 21 | 12.9 | 16 | 9 | 1.7 | 1,5-4,5 | 8040 | 32360 | A2 | 
| 12 | 24 | 14.9 | 18 | 10 | 1.7 | 1,5-4,5 | 8442 | 33978 | A2 | 

На нашем складе доступны более 30 000 наименований крепежа и метизов: анкера (рамные, клиновые, забивные, анкерные болты), саморезы (универсальные, по дереву, по бетону, по металлу, по ГКЛ), дюбели (фасадные, для теплоизоляции, дюбель-гвозди, универсальные и др.), метрический крепеж (болты, гайки, шайбы), а также специальный крепеж (биты, шпильки, заклепки, крепеж для кровли, сэндвич-панелей, для производства окон) и такелаж (тросы, цепи, талрепы, коуши и др.). Весь товар сертифицирован.