Официальный дилер Tech-Krep по Самарской области в г.Тольятти, ул. Обводная 3Г.
Применение: Предназначены для создания неразъемного соединения тонколистовых материалов, а также для образования соеденяемых листовых материалах элемента крепления с внутренней (заклепка-гайка) или наружной (заклепка-болт) метрической резьбой.
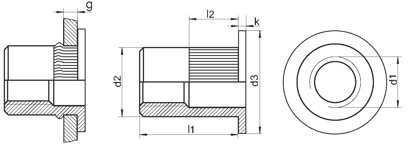
Особенности: При установке заклепок доступ необходим только с одной стороны материала. Они бывают открытого или закрытого типа, с цилиндрической или потайной головкой, c рифлением и без. Монтаж осуществляется с помощью специального инструмента.
| d1 | l1 | d2 | d3 | l2 | k | g | Vсрез [N] | Nрастяж. [N] | Материал | 
| 3 | 10 | 4.9 | 7 | 5.5 | 0.9 | 0,5-3 | 1760 | 5390 | A2 | 
| 4 | 10 | 5.9 | 9 | 5.5 | 1 | 0,3-3 | 3920 | 6860 | A2 | 
| 11.5 | 5.9 | 9 | 7.5 | 1 | 3,1-4 | 3920 | 6860 | A2 | |
| 5 | 12 | 6.9 | 10 | 6 | 1 | 0,5-3 | 4510 | 11760 | A2 | 
| 15 | 6.9 | 10 | 8 | 1 | 3,1-4 | 4510 | 11760 | A2 | |
| 6 | 14.5 | 8.9 | 13 | 8 | 1.5 | 0,5-3 | 4900 | 18630 | A2 | 
| 16 | 8.9 | 13 | 10 | 1.5 | 3,1-4,5 | 4900 | 18630 | A2 | |
| 8 | 16 | 10.9 | 16 | 8.8 | 1.5 | 0,5-3 | 6860 | 27450 | A2 | 
| 18.5 | 10.9 | 16 | 11 | 1.5 | 3,1-5,5 | 6860 | 27450 | A2 | |
| 10 | 17 | 12.9 | 19 | 10 | 2 | 0,5-3 | 7840 | 29410 | A2 | 
| 22 | 12.9 | 19 | 13 | 2 | 3,1-6 | 7840 | 29410 | A2 | |
| 12 | 23 | 14.9 | 23 | 12 | 2 | 1-4 | 9800 | 52950 | A2 | 

На нашем складе доступны более 30 000 наименований крепежа и метизов: анкера (рамные, клиновые, забивные, анкерные болты), саморезы (универсальные, по дереву, по бетону, по металлу, по ГКЛ), дюбели (фасадные, для теплоизоляции, дюбель-гвозди, универсальные и др.), метрический крепеж (болты, гайки, шайбы), а также специальный крепеж (биты, шпильки, заклепки, крепеж для кровли, сэндвич-панелей, для производства окон) и такелаж (тросы, цепи, талрепы, коуши и др.). Весь товар сертифицирован.